Description
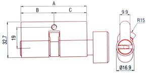
Hinge Security Cylinder C/W 5 Owner Key ,1 Construction Key:
.jpg)
Anti-tools 防工具撬 Anti-tinfoil 防锡纸开

Anti non – destructive break Anti-electric gun 防开锁枪开
防技术开启
Unique design for More than 450 millions combination,
connected pin mutual opening rate low
独特的连体珠设计 有效牙花组合量高达450万,

High precision CNC Wear procession copper nickel key
machines processing High difficulty in key duplication
欧洲最高标注设计, 耐磨白铜主人匙
高精度CNC机体加工 市面上无法复制锁匙

Available for AB construction
key cylinder
可以做AB工程匙


